

«Электронные компоненты», №4, 2025 г
Автор: Антон Еремин
Статья содержит обзор методов снижения кондуктивных помех.
Импульсные источники питания получили широкое распространение в последнее время. Их КПД лежит в пределах 60…90% в отличие от линейных источников питания, для которых этот параметр редко достигает 40%. При этом импульсные источники меньше по габаритам и легче линейных. Одновременно импульсные источники характеризуются кондуктивными шумами, наводимыми на сеть питания. К сожалению, доля затрат на разработку источника питания системы обычно не превышает 5% от общего бюджета, в том числе и с точки зрения трудозатрат. Ограниченное внимание к конструкции импульсных источников питания часто приводит к провалу испытаний оборудования на уровень кондуктивных шумов и последующему его возврату на доработку.
При разработке фильтров для импульсных источников питания важно понимать, что разрабатываемый фильтр становится частью этого модуля, влияя на цепи обратной связи и передаточную характеристику «вход-выход». Задача фильтрации кондуктивных помех как таковая не является неразрешимой. Сложности при ее решении возникают тогда, когда установка сетевого фильтра не была предусмотрена на стадии выбора компоновки и конструктору остается довольствоваться оставшимся пространством внутри прибора. Таким образом, основной задачей разработчика является обеспечение необходимого уровня подавления кондуктивных помех с учетом фактических габаритных ограничений.
Обеспечение электромагнитной совместимости в отношении кондуктивных помех должно быть выполнено в соответствии с классическим ступенчатым принципом ослабления воздействия на пути от источника к приемнику. При применении этого принципа к импульсным источникам питания необходимо в первую очередь снизить уровень генерируемых помех до минимально возможного и только после этого приступать к разработке фильтра. Это поможет улучшить массогабаритные характеристики создаваемой аппаратуры. Поэтому в качестве первого шага на пути улучшения параметров ЭМС импульсного источника питания мы должны рассмотреть механизмы возникновения кондуктивных сетевых помех и возможные меры по ограничению их генерации.
Импульсные источники питания генерируют как дифференциальные кондуктивные помехи, так и синфазные. Дифференциальная помеха может быть обнаружена между выводами источника, а синфазная – между каждым выводом и системой заземления.
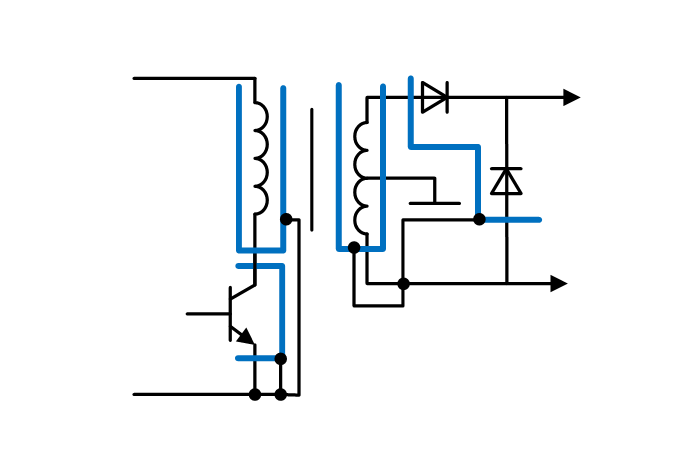
Первый источник дифференциальных помех – паразитные параметры сглаживающего конденсатора Сф, расположенного между выпрямительным мостом и коммутатором, как показано на рисунке 1.

Рис. 1. Схема проникновения дифференциальных импульсных токов в имитатор сети (ИС) при испытаниях
Для идеального конденсатора импульсный ток должен быть замкнут через конденсатор фильтра Сф по контуру, выделенному на рисунке 1 синим цветом. Однако из-за наличия у этого конденсатора паразитной индуктивности и последовательного сопротивления напряжение на конденсаторе при протекании импульсного тока будет иметь вид, приведенный на рисунке 2. В показанном примере частота переключения коммутатора составляет 300 кГц, входной ток – 2А, скорость изменения тока – 50А/мкс. Конденсатор емкостью 100 мкФ характеризуется паразитной индуктивностью 0,5 нГн и последовательным сопротивлением 10 мОм. Эти нежелательные параметры приводят к тому, что напряжение на реальном конденсаторе будет выше, чем на идеальном конденсаторе.
В результате часть импульсного тока проникает в имитатор сети через паразитную емкость смещенных в обратном направлении диодов выпрямительного моста (рис.1, красная штриховая линия). Таким образом, чем меньше паразитная индуктивность и последовательное сопротивление конденсатора, тем бОльшая доля тока коммутатора может быть локализована в контуре конденсатор-коммутатор и меньшая доля тока проникнет в имитатор сети при испытаниях. [1]

Рис. 2. Напряжение на конденсатор Сф при протекании импульсного тока
Второй источник дифференциальных помех – диоды выпрямительного моста. От характеристики времени восстановления обратного сопротивления диода после протекания тока и емкости перехода зависят амплитуда и спектральный состав помех, генерируемых диодным мостом. Время восстановления, в свою очередь, зависит от времени рассасывания заряда в диффузионной области кристалла и времени спада заряда. Например, для импульсных диодов время восстановления обычно составляет доли микросекунд. Кроме того, емкость р-n перехода диода при определенных условиях может образовать с индуктивностью выводов и печатных проводников резонансный контур с высокой добротностью.
Причиной синфазных кондуктивных помех являются токи в локальной поверхности заземления, представленной, как правило, токопроводящим корпусом источника. Эти токи проникают в корпус через емкостные связи с высокочастотными элементами или линиями их подключения в соответствии с рисунком 3 и замыкаются на линии питания через конденсаторы фильтра синфазных помех. В отсутствие фильтра замыкание тока от высокочастотных элементов на линию питания происходит только через распределенные емкостные связи.

Рис.3 Пути протекания синфазных высокочастотных токов через паразитные емкостные связи с корпусом
Дифференциальная помеха при этом представляет меньшую проблему, потому что для борьбы с ней можно установить между линиями питания конденсаторы бОльшей емкости, чем между каждой линией и корпусом. Распространение синфазных токов по линиям питания, в свою очередь, приводит к образованию излучаемых помех.
Неэкранированный импульсный источник питания – относительная редкость, так как без экранирующего корпуса почти невозможно пройти испытания на требования к излучаемым помехам. Этот же корпус часто считают удачным местом для отвода тепла и поэтому крепят на него силовые переключающие транзисторы, гальванически изолировав их от стенки. Но при этом часто забывают о существовании емкостных высокочастотных связей.
Для транзисторов в корпусах ТО-3 с площадью монтажного фланца 5 см2 при установке на слюдяную прокладку толщиной 100мкм емкость может достигать 155 пФ, а для транзисторов в корпусах ТО-220 на прокладке из силиконовой резины толщиной 200 мкм может быть уменьшена до 36 пФ. Токи утечки от силовых коммутаторов через емкостную связь могут не представлять проблемы с точки зрения безопасности, но, распространяясь по корпусу источника питания, они приводят к образованию высокочастотных потенциалов. Эти повышенные потенциалы, в свою очередь, являются источниками электрического поля помехи. Поэтому корпус источника питания должен иметь низкоимпедансное соединение с физической землей или корпусом основного изделия.
Таким образом, наличие экранирующего корпуса, расположенного вблизи высокочастотных элементов, – основная причина возникновения синфазной помехи. Увеличение размера корпуса потенциально может ослабить нежелательное взаимодействие, однако использование этого приема обычно нежелательно, а иногда и вовсе невозможно для компактного оборудования. Исключение из конструкции корпуса как такового практически решит проблему синфазных кондуктивных помех от источника, заменив ее на проблему излучаемых помех. При этом на уровень дифференциальных кондуктивных помех наличие или отсутствия корпуса не влияет. [2]
Поэтому прежде всего, нужно уменьшить связь высокочастотных элементов с корпусом импульсного источника питания. Для этого используют электростатические экраны между обмотками трансформатора, а также между высокочастотным переключателем и радиатором. Полезно также увеличить расстояние между корпусом высокочастотного коммутатора и радиатором.
Электростатические экраны обычно изготавливают из медной фольги и гальванически изолируют как от корпуса высокочастотного элемента, так и от корпуса импульсного источника питания. Экраны на стороне первичной обмотки трансформатора обычно подключают либо к минусу источника постоянного тока, либо к нейтрали источника переменного тока как можно ближе к коммутирующему элементу. Экраны на стороне вторичной обмотки подключают к общему выводу этой обмотки. Однако, если выходное напряжение относительно невелико, например, меньше 12В, то экранирование на стороне вторичной обмотки обычно не требуется. На рисунке 4 показано типовое расположение экранов и точки их подключения.

Рис 4. Типовое расположение экранов в составе импульсного источника питания и схема их подключения
Пример монтажа силового транзистора на кронштейн, электрически изолированный как от транзистора, так и от стенки корпуса или радиатора охлаждения, показан на рисунке 5А. Соединив этот кронштейн с линией питания в соответствии с рисунком 4, мы получим электрический отклоняющий экран, который не даст высокочастотным токам проникнуть на корпус. [3] Если вы передаете тепло непосредственно на корпус, то в качестве экрана можно использовать тонкий слой фольги, изолированный от обеих прилегающих поверхностей, как показано на рисунке 5Б.

Рис. 5. Примеры монтажа силового транзистора с электрическим экранированием: на кронштейн-экран (А) и на стенку корпуса с фольговым экраном (Б)
Трансформатор импульсного источника питания должен иметь как минимум один электрический экран на первичной обмотке. Иногда по соображениям безопасности может потребоваться дополнительный «защитный» экран для отвода токов короткого замыкания. Отличия защитного экрана от экрана электрического поля состоят в его конструкции, расположении и подключении.
Защитный экран изготавливают из фольги толщиной 50-100 мкм, чтобы обеспечить необходимую для отвода токов короткого замыкания проводимость. Его располагают между двумя электрическими экранами и изолируют от них, как показано на рис. 6.
В отличие от электрического экрана защитный экран подключают к корпусу, а не к обратному проводу питания. Это подключение должно выдерживать ток, превышающий ток прожига предохранителя как минимум в три раза. Для электрического экрана токонесущая способность соединения совершенно не критична, важен, прежде всего, его высокочастотный импеданс. На рис. 6 приведена схема подключения двух экранов электрического поля и одного защитного экрана, расположенного между ними (сердечник трансформатора не показан).

Рис. 6. Схема подключения электрических экранов первичной обмотки (1), вторичной обмотки (3) и дополнительного защитного экрана (3).
Для соответствия повышенным требованиям безопасности электрический экран первичной обмотки иногда соединяют с обратным проводом через конденсатор. Емкость конденсатора – более 0,01 мкФ при рабочем напряжении не менее напряжения первичной цепи. Экран электрического поля представляет собой лист фольги с изоляционным покрытием, уложенный вокруг первичной обмотки с перекрытием слоев. Изоляционное покрытие должно предотвращать гальванический контакт слоев в зоне перекрытия, чтобы не образовать замкнутого кольца, компенсирующего магнитный поток обмотки.
Подключение электрического экрана лучше располагать не в углу листа фольги, а в его центре. При подключении в углу однонаправленные наведенные шумовые токи вызывают появление магнитного высокочастотного поля, наводимого на вторичную обмотку. Это ухудшает эффективность изоляции шума. Если подключить экран в центре, например, нижнего края, то электрическое поле помехи приведет к появлению токов двух противоположных направлений приблизительно равных по амплитуде. Результирующее магнитное поле таких токов в соответствии с принципом суперпозиции будет близко к нулю.
Экранирование трансформаторов несет как заметные преимущества, так и накладывает ограничения, которые необходимо учитывать при разработке. Например, больший размер обмотки экранированных трансформаторов не только ухудшает массогабаритные характеристики изделия, но и увеличивает магнитное поле рассеяния, т.е. негативно влияет на характеристики назначения трансформатора.
Отдельную проблему электромагнитной совместимости при разработке импульсных источников питания представляют катушки и трансформаторы с воздушным зазором сердечника. Этот зазор обычно помогает предотвратить насыщение сердечника при протекании значительных рабочих токов. Несмотря на наличие электрических экранов между обмотками, трансформатор может стать источником магнитного поля помехи, источником которого являются зазоры. При этом зазоры в наружных магнитопроводах являются источником более интенсивных помех, чем зазоры во внутреннем магнитопроводе. Уменьшить излучение из этих зон помогает экранирующее гальванически замкнутое кольцо, уложенное поверх зазора, как показано на рис.7.

Рис.7. Расположение экранирующего кольца на сердечнике трансформатора.
Экран располагают в плоскости витков катушки и центрируют относительно зазора. Ширина кольца должна составлять около трети длины катушки, а толщина медной фольги – не менее 250 мкм. При большей ширине кольца могут появиться проблемы с насыщением сердечника.
К сожалению, как и для электрических экранов, установка экранирующего кольца ведет к росту потерь в трансформаторе до 1% от номинальной мощности в зависимости от размера зазора и номинальной мощности компонента. Причиной этих потерь являются вихревые токи в медном замкнутом экране, которые увеличивают выделение тепла. Если выделение тепла в замкнутом контуре оказывается недопустимо велико, то для него понадобится дополнительный радиатор для отвода тепла на корпус. Этот замкнутый экран иногда оставляют неподключенным в бюджетных устройствах. Однако, его лучше подключить к общему проводу вторичной обмотки.
Провода, соединяющие модуль импульсного источника питания и наружный сетевой соединитель, также могут быть причиной провала испытаний на уровень кондуктивных помех. Эти провода даже при плотной параллельной укладке образуют приемный контур для внутриблочных помех. Поэтому для снижения уровня принимаемых помех необходимо плотно свить провода друг с другом, чтобы обеспечить компенсацию наведенной помехи множеством противоположно направленных контуров. Аналогичный эффект можно получить, установив на эти провода ферритовый фильтр, но скрутка обычно является более дешевым и быстрым способом диагностики «проблемы принимающего контура».
Если кондуктивные помехи после скручивания проводов уменьшились недостаточно, возможно, стоит найти источник помехового поля внутри оборудования и, например, экранировать его. Если источником помех являются синфазные токи в интерфейсных сигнальных кабелях, то может понадобиться перепроектирование системы заземления прибора. Отдельные источники [4] предлагают использовать для снижения всех видов помех импульсных преобразователей напряжения так называемый метод расширения спектра. Основа этого метода – модуляция частоты переключения с сохранением средней частоты переключения на прежнем уровне. В результате максимумы излучения, соответствующие постоянной частоте переключения и ее гармоникам, оказываются размыты в частотной области с одновременным уменьшением амплитуды этих пиков. На рис. 8 показано влияние модуляции частотой 400Гц на уровень излучения преобразователя постоянного тока с базовой частотой переключения 84 кГц.

Рис. 8. Влияние метода расширения спектра на амплитуду гармоник излучаемой помехи
В левой части спектра метод расширения спектра позволил снизить уровень помех до 10 дБ, но с ростом частоты эффект расширения спектра усиливается и ослабление помех для отдельных гармоник может достигать 17дБ.
Фильтры кондуктивных помех обычно выполняют одноэлементными или двухэлементными. Трехэлементные фильтры и фильтры более высоких порядков используют реже, когда необходимо обеспечить больший склон характеристики потерь. Прием увеличения склона характеристики применяют, если требуемая частота среза, например, двухэлементного фильтра, оказывается слишком мала, а номиналы элементов для обеспечения этой частоты излишне велики. При этом фильтры четвертого и больших порядков для фильтрации помех обычно избыточны.
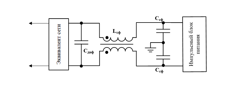
Типовая структура сетевого фильтра, состоящего из ступеней фильтрации синфазных помех и фильтрации дифференциальных помех, приведена на рис.9. Такой порядок расположения ступеней подразумевает, что шум импульсного источника питания должен сначала поступить на фильтр дифференциальной помехи, а потом – на фильтр синфазной помехи. Однако, есть много примеров, когда успешно применяется и обратная схема расположения, поэтому можно считать, что в этом случае нет жесткого правила.

Рис. 9 Типовая структура сетевого фильтра
Последним средством борьбы с кондуктивными помехами от импульсных источников питания могут стать конденсаторы, установленные непосредственно на вводе питания в прибор. Этот прием эффективен, когда электропроводка между импульсным блоком питания и наружным сетевым соединителем слишком чувствительна к внутренним наводкам. [5]
Из-за повышенной опасности повреждения импульсными помехами в сети питания конденсаторы на вводе питания должны быть испытаны на стойкость к таким помехам. Обычно для этой цели подходят керамические конденсаторы из-за их малого паразитного сопротивления, что одновременно означает и большую стойкость к перегрузкам импульсными токами.
При проектировании сетевых фильтров первый шаг – это проектирование ступени для фильтрации синфазных помех. Современные исследования показывают, что когда синфазные кондуктивные помехи подавлены в достаточной мере, дифференциальный кондуктивный шум также сильно уменьшается. Первая причина этого – наличие индуктивности утечки у синфазного дросселя, образующей фильтр для дифференциальной помехи. Вторая причина - два конденсатора, включенные между каждой линией питания и землей, которые в сумме образуют емкость для фильтрации дифференциальной помехи.
Поэтому для избегания избыточности фильтра сначала разрабатывают ступень фильтрации синфазных помех, а затем проводят конструкторские испытания для определения ее эффективности в отношении дифференциальной помехи. Если дифференциальные помехи превосходят обозначенные пределы, то добавляют ступень фильтрации дифференциальных помех. Для маломощных преобразователей дифференциальный фильтр часто является избыточным.
К сожалению, амплитуда шума, фиксируемого на резисторах эквивалента сети – это всегда комбинация синфазных и дифференциальных помех. Традиционный метод их «разделения» - это измерение с помощью пробников с использованием отличающихся схем измерения. Разработаны также дополнительные устройства для измерительных стендов, позволяющие подавить дифференциальную компоненту общего шума с эффективностью до 50дБ. [6]
Топология синфазного фильтра определяется импедансами «источника шума» и «приемника шума». Входной импеданс «приемника шума», т.е. схемы эквивалента питающей сети, применяемого при испытаниях на уровень кондуктивных помех, составляет порядка 25 Ом. Этот импеданс образован двумя 50-омными плечами эквивалента сети, включенными для синфазной помехи параллельно. Импеданс источника синфазного шума гораздо больше 25 Ом и имеет емкостную природу. Поэтому конденсатор в ступени фильтрации синфазной помехи лучше располагать со стороны источника шума, т.е. импульсного источника питания, а индуктивность – со стороны эквивалента сети.
Для фильтрации синфазной помехи могут быть использованы фильтры и больших порядков, но индуктивность синфазного дросселя обычно достаточно велика, чтобы ограничиться всего двумя ступенями. Трехступенчатые Т-фильтры синфазной помехи будут полезны только при очень малых значениях импеданса «источника шума», что нетипично для импульсных источников питания.
Из-за относительно небольшой частоты резонанса синфазный дроссель эффективнее подавляет помехи в нижней части частотного диапазона, в то время как конденсатор – в верхней части диапазона. Поэтому для использования в ступени фильтрации синфазных помех необходимо выбирать конденсаторы с минимальной собственной паразитной индуктивностью и минимизировать паразитную индуктивность соединения конденсатора с системой заземления.
Если по результатам испытаний выявлена необходимость включения в фильтр ступени фильтрации дифференциальной помехи, то, аналогично фильтру синфазных помех, начинают с выбора топологии фильтра. Импеданс «приемника шума» представлен теми же двумя 50-омными плечами эквивалента сети, но включенными для дифференциальной помехи последовательно. Таким образом, дифференциальный импеданс «приемника шума» составляет порядка 100 Ом. Импеданс же «источника шума» в этом случае имеет как высокоомную, так и низкоомную компоненты, поэтому для дифференциальных помех часто рекомендуют топологию фильтра «П-типа».
В качестве индуктивности дифференциального фильтра, может быть задействована индуктивность утечки синфазного дросселя, а два конденсатора «линия питания – земля» в отдельных случаях могут заменить конденсатор дифференциального фильтра. Поэтому в простейшем варианте П-фильтр дифференциальной помехи может быть образован добавлением еще одного конденсатора с противоположной стороны от синфазного дросселя, как показано на рис 10. Если индуктивности утечки синфазного дросселя недостаточно, то в плечи фильтра устанавливают дополнительные катушки.

Рис. 10. Упрощенная схема комбинированного фильтра синфазных и дифференциальных помех
Таким образом, реальный сетевой фильтр не состоит из двух изолированно действующих ступеней, подавляющих раздельно синфазную и дифференциальную помехи. Разделение на ступени условно, и предназначено для упрощения анализа эквивалентных схем при протекании обоих видов шумовых токов. Элементы фильтра всегда работают совместно, поэтому ступень подавления синфазных помех может оказывать значимое влияние на дифференциальную помеху.
В настоящей статье приведено обобщенное описание процесса обеспечения ЭМС при разработке импульсных источников питания. Фильтрация помех в этом процессе занимает лишь второе место, т.к. является «последним рубежом» на пути помехи в сеть питания. Борьба с помехами в их источнике – наиболее эффективный подход, использование которого свидетельствует о высокой квалификации разработчика. Этот подход позволяет обеспечить необходимый уровень кондуктивных помех оптимальным образом, что особенно важно при жестких ограничениях по размерам и массе разрабатываемого устройства. Подробнее изучить вопросы обеспечения электромагнитной совместимости, качества питания и сохранения формы сигналов в электронных системах можно в ходе тематических семинаров и вебинаров ООО «КРЭЛС» (https://crels.ru/course).
1. Mark J. Nave. Prediction of Conducted Emissions in Switched Mode Power Supplies. 1986 IEEE International Symposium on Electromagnetic Compatibility, San Diego, USA
2. Marty Brown. Power Supply Cookbook, Second Edition. Newnes publishing, 2001
3. Keith Billings, Taylor Morey. Switchmode Power Supply Handbook, Third Edition. McGraw Hill Inc, 2011
4. Mahinda Vilathgamuva et al. EMI Suppression with Switching Frequency Modulated DC-DC Converters. IEEE Industry Application Magazine, November/December, 1999
5. Sanjaya Maniktala. Switching Power Supplies A-Z, Second Edition. Newnes publishing, 2012
6. Mark J. Nave. A Novel Differential Mode Rejection Network for Conducted Emissions Diagnostics. National Symposium on Electromagnetic Compatibility, Denver, USA, 1989
Другие статьи автора: https://crels.ru/articles